
RJU系列关节模组一款全新的,有别于RJS系列,RJS-II系列,SHD系列,等传统外形的机器人关节,而是一款能够给机器人更多设计空间,和应用领域的关节,客户可根据自身产品方向,自由定位。
【主要特性】
无封装外壳
以满足客户自主设计机械臂外形的需求
更精准
采用双编码器实现全闭环控制,输出端重复定位精度可达0.001°
更轻巧
减速器采用中空超扁平设计,结构更紧凑,整机更小巧,关节自重更轻,重量<1.2Kg。
超大力矩
连续输出扭矩为10~450N.m。
应用范围广
自动化组装生产,自动化物流分拣,无人零售,康复医疗及手术辅助,电力巡检等
更安全
驱动器过流、过温、过压欠压、位置超差、短路、I2t、控制错误等全面的安全保护设计
更方便
常规为48VDC供电,24~60VDC之间供电可选
低功耗
RJU14正常工作最小仅20W,3KG协作机器人普通工况下功耗约150W。
更友善
EtherCAT,CANopen通信可选,支持大部分主流机器人控制器
定制
为客户提供OEM定制化服务
【规格参数】
| 参数 | 单位 | RJU(Z)14 | RJU(Z)17 | RJU(Z)20 | RJU(Z)25 |
| 基本性能 | |||||
| 启停容许最大转矩 | Nm | 34 | 66 | 102 | 194 |
| 平均负载转矩 | Nm | 13.5 | 49 | 61 | 133 |
| 静态负载转矩 | Nm | 21.2 | 49.9 | 56.6 | 99 |
| 最大瞬时转矩 | Nm | 66 | 134 | 182 | 351 |
| 最大许用弯矩 | Nm | 41 | 72 | 140 | 243 |
| 最大瞬时弯矩 | Nm | 80 | 140 | 280 | 480 |
| 额定转速 | rpm | 29.7 | 29.7 | 29.7 | 19.8 |
| 最大转速 | rpm | 47.5 | 35 | 35 | 37.6 |
| 电气性能 | |||||
| 电机额定功率 | W | 118 | 146 | 210 | 400 |
| 电机额定电压 | VDC | 48 | 48 | 48 | 48 |
| 电机额定电流 | A | 4.2 | 5.7 | 7 | 11.5 |
| 峰值电流 | A | 10.5 | 14.25 | 17.5 | 28.75 |
| 通讯协议 | -- | EtherCAT/CANopen | |||
| 机械性能 | |||||
| 关节重量 | kg | 1.47(1.14) | 2.4(1.75) | 2.42(1.96) | 4.1(3.2) |
| 关节直径 | mm | 76(70) | 86(80) | 96(92) | 116(110) |
| 关节长度 | mm | 117.5(107) | 124.3(114) | 123(113) | 134.3(123) |
| 抱闸 | -- | 插销式(UR类型) | |||
| 输出端编码器 | -- | 17位单圈绝对值 | |||
| 电机编码器 | P/R | 20000 | |||
| 减速器速比 | -- | 101 | 101 | 101 | 101 |
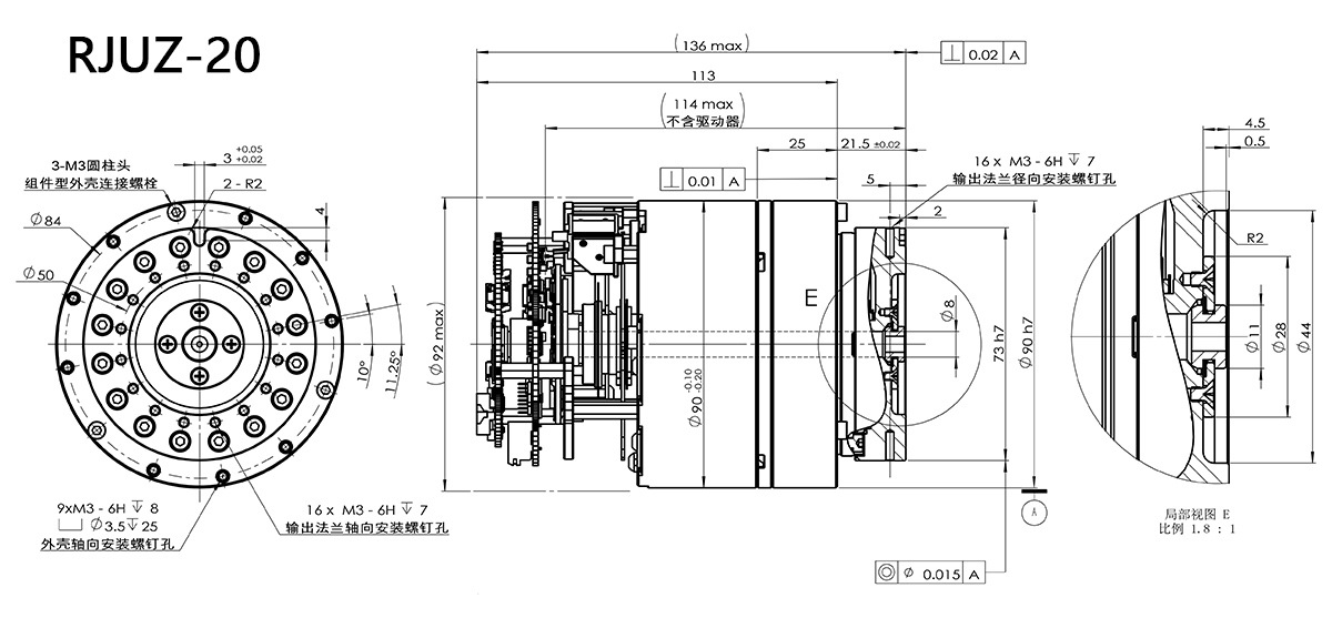
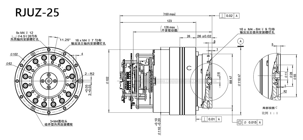
【机械尺寸外形图】











